Главная > Подшипники> Роликовые > Радиальные>NJ 18/750 MA

NJ 18/750 MA — Однорядный цилиндрический роликоподшипник, импортное производство по ISO стандарту, размер 920x750x78 номер основного исполнения .
Производитель: SKF.
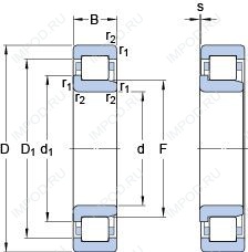
Однорядный цилиндрический роликоподшипник. Наружное кольцо имеет два борта, наружное — один борт.
MA = Механически обработанный латунный сепаратор, центрируемый по наружному кольцу.
Цена по запросу
Цена на подшипник зависит от:
Габаритные размеры
Размеры и геометрические характеристики
Нагрузка и ресурс
Коэффициенты для расчета
Присоединительные размеры
Прочие характеристики
Однорядный цилиндрический роликоподшипник NU 18/750 MA (SKF)
однорядный радиально-упорный шарикоподшипник 718/750 ACMB (SKF)
однорядный радиально-упорный шарикоподшипник 718/750 AGMB (SKF)