Главная > Подшипники> Шариковые> Радиально-упорные>718/750 AGMB

718/750 AGMB — однорядный радиально-упорный шарикоподшипник, импортное производство по ISO стандарту, размер 920x750x78 номер основного исполнения .
Производитель: SKF.
MB = Обработанный латунный сепаратор с внутренним кольцом.
Цена по запросу
Цена на подшипник зависит от:
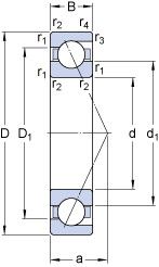
Габаритные размеры
Размеры и геометрические характеристики
Нагрузка и ресурс
Коэффициенты для расчета
Присоединительные размеры
Однорядный цилиндрический роликоподшипник NJ 18/750 MA (SKF)
Однорядный цилиндрический роликоподшипник NU 18/750 MA (SKF)
однорядный радиально-упорный шарикоподшипник 718/750 ACMB (SKF)