Главная > Подшипники> Роликовые > Радиальные>NJ 1064

NJ 1064 — Однорядный цилиндрический роликовый подшипник, импортное производство по ISO стандарту, размер 320x480x74 номер основного исполнения NJ1064.
Производится брендами: CX, ISB, ISO, NACHI, NTN.
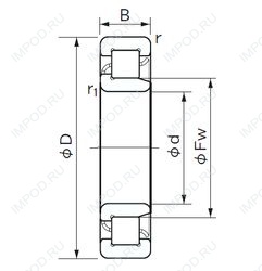
Однорядный цилиндрический роликоподшипник. Наружное кольцо имеет два борта, наружное — один борт.
Цена от:63 945 р.
Цена на подшипник зависит от:
| Обозначение | Модификация |
|---|---|
| NJ 1064 MA | Однорядный цилиндрический роликоподшипник. Наружное кольцо имеет два борта, наружное — один борт. MA = Механически обработанный латунный сепаратор, центрируемый по наружному кольцу. |
Габаритные размеры
Размеры и геометрические характеристики
Нагрузка и ресурс
Защита
Конструкция и исполнение
Однорядный цилиндрический роликовый подшипник NU1064 (CX, FAG, ISB, ISO, KOYO)
Подшипник однорядный шариковый радиальный 6064 (CX, ISO, KOYO, NACHI, NIS)
Однорядный цилиндрический роликовый подшипник NU1064 M1 (FAG)
Подшипник однорядный шариковый радиальный 6064 M.C3 (SKF)
Подшипник однорядный шариковый радиальный 6064 M.CNL (SKF)