Главная > Подшипники> Шариковые> Упорные>NJ 1064 MA

NJ 1064 MA — Однорядный цилиндрический роликовый подшипник, импортное производство по ISO стандарту, размер 480x320x74 номер основного исполнения NJ1064.
Производитель: SKF.
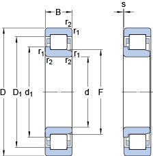
Однорядный цилиндрический роликоподшипник. Наружное кольцо имеет два борта, наружное — один борт.
MA = Механически обработанный латунный сепаратор, центрируемый по наружному кольцу.
Цена от:63 945 р.
Цена на подшипник зависит от:
| Обозначение | Модификация |
|---|---|
| NJ 1064 | Однорядный цилиндрический роликоподшипник. Наружное кольцо имеет два борта, наружное — один борт. |
Габаритные размеры
Размеры и геометрические характеристики
Нагрузка и ресурс
Коэффициенты для расчета
Присоединительные размеры
Прочие характеристики
Однорядный цилиндрический роликовый подшипник NU1064MA (SKF, TIMKEN)
Однорядный цилиндрический роликоподшипник NU 1064 MP (SKF)
однорядный радиально-упорный шарикоподшипник 7064 BGM (SKF)