Главная > Подшипники> Роликовые > Радиальные>NJ 1040

NJ 1040 — Однорядный цилиндрический роликовый подшипник, импортное производство по ISO стандарту, размер 200x310x51 номер основного исполнения NJ1040.
Производится брендами: CX, CYSD, ISO, NACHI, NSK, NTN.
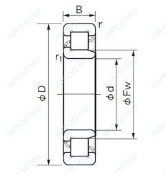
Однорядный цилиндрический роликоподшипник. Наружное кольцо имеет два борта, наружное — один борт.
Цена от:22 779 р.
Цена на подшипник зависит от:
Габаритные размеры
Размеры и геометрические характеристики
Нагрузка и ресурс
Защита
Конструкция и исполнение
Однорядный цилиндрический роликовый подшипник NU1040 (CX, CYSD, FAG, ISB, ISO)
Подшипник шариковый радиальный однорядный 140
Подшипник роликовый радиальный с короткими цилиндрическими роликами без бортов на внутреннем кольце 32140
Однорядный цилиндрический роликовый подшипник NU1040 M1 (FAG)
Однорядный цилиндрический роликовый подшипник NU1040 M1.C3 (FAG)
Однорядный цилиндрический роликовый подшипник NU1040 ML (FAG, SKF)