Главная > Подшипники> Роликовые > Радиальные>NJ 1030

NJ 1030 — Цилиндрический роликоподшипник, импортное производство по ISO стандарту, размер 150x225x35 номер основного исполнения NJ1030.
Производится брендами: CX, CYSD, ISO, NACHI, NSK, NTN.
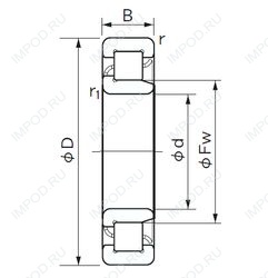
Однорядный цилиндрический роликоподшипник. Наружное кольцо имеет два борта, наружное — один борт.
Цена от:11 897 р.
Цена на подшипник зависит от:
| Обозначение | Модификация |
|---|---|
| NJ 1030 ML | Однорядный цилиндрический роликоподшипник. Наружное кольцо имеет два борта, наружное — один борт. Механически обработанный латунный сепаратор оконного типа, центрируемый по внутреннему или наружному кольцу. |
Габаритные размеры
Размеры и геометрические характеристики
Нагрузка и ресурс
Защита
Конструкция и исполнение
Однорядный цилиндрический роликовый подшипник NU1030 (CX, CYSD, FAG, ISB, ISO)
Подшипник однорядный шариковый радиальный 6030 (CX, CYSD, FAG, ISB, ISO)
Подшипник шариковый однорядный радиально-упорный 7030 (CYSD, KOYO, NACHI, NTN, SKF)
Однорядный цилиндрический роликовый подшипник NU1030 M1 (FAG)
Однорядный цилиндрический роликовый подшипник NU1030 M1.C3 (FAG)
Однорядный цилиндрический роликовый подшипник NU1030 ML.C3 (FAG)