Главная > Подшипники> Роликовые > Радиальные>NJ 1014

NJ 1014 — Однорядный цилиндрический роликовый подшипник, импортное производство по ISO стандарту, размер 70x110x20 номер основного исполнения NJ1014.
Производится брендами: CX, CYSD, Fersa, ISO, NACHI, NSK, NTN.
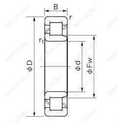
Однорядный цилиндрический роликоподшипник. Наружное кольцо имеет два борта, наружное — один борт.
Цена от:3 516 р.
Цена на подшипник зависит от:
| Обозначение | Модификация |
|---|---|
| NJ1014 M | Однорядный цилиндрический роликоподшипник. Наружное кольцо имеет два борта, наружное — один борт. M = массивный латунный сепаратор. |
Габаритные размеры
Размеры и геометрические характеристики
Нагрузка и ресурс
Защита
Конструкция и исполнение
Подшипник шариковый однорядный радиально-упорный B7014 (FAG)
Однорядный цилиндрический роликовый подшипник NU1014 (CX, CYSD, FAG, FBJ, ISB)
Подшипник однорядный шариковый радиальный 6014 (CRAFT, IBC, NIS, SKF)
Подшипник шариковый однорядный радиально-упорный 7014 (CYSD, KOYO, NACHI, NTN, SKF)
Подшипник шариковый радиальный однорядный 114
Подшипник шариковый радиальный 8114 (ГПЗ-3)