Главная > Подшипники> Комбинированные>NAXK12Z

NAXK12Z — Роликовый игольчатый подшипник, импортное производство по ISO стандарту номер основного исполнения NAXK12.
Производитель: KOYO.
Упорный шариковый подшипник с механически обработанным наружным кольцом и радиальный игольчатый роликоподшипник без внутреннего кольца.
2Z = Металлические шайбы с каждой стороны подшипника.
Цена по запросу
Цена на подшипник зависит от:
| Обозначение | Модификация |
|---|---|
| NAXK12 | Основное конструктивное исполнение. |
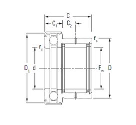
Габаритные размеры
Размеры и геометрические характеристики
Нагрузка и ресурс
Защита
Присоединительные размеры
Конструкция и исполнение
Подшипник шариковый из нержавеющей стали S61801-2RS (ZEN)
Подшипник шариковый из нержавеющей стали S61801 (ZEN)
Радиальный шарикоподшипник S61801-2Z (ZEN)