Главная > Подшипники> Комбинированные>NAXK12

NAXK12 — Роликовый игольчатый подшипник, импортное производство по ISO стандарту основное исполнение.
Производитель: KOYO.
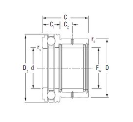
Упорный шариковый подшипник с механически обработанным наружным кольцом и радиальный игольчатый роликоподшипник без внутреннего кольца.
К = Коническая посадка, конусность 1:12.
Цена по запросу
Цена на подшипник зависит от:
| Обозначение | Модификация |
|---|---|
| NAXK12Z | Упорный шариковый подшипник с механически обработанным наружным кольцом и радиальный игольчатый роликоподшипник без внутреннего кольца. 2Z = Металлические шайбы с каждой стороны подшипника. |
Габаритные размеры
Размеры и геометрические характеристики
Нагрузка и ресурс
Защита
Присоединительные размеры
Конструкция и исполнение
Подшипник шариковый из нержавеющей стали S61801-2RS (ZEN)
Подшипник шариковый из нержавеющей стали S61801 (ZEN)
Радиальный шарикоподшипник S61801-2Z (ZEN)