Главная > Подшипники> Комбинированные>NAX 5035Z

NAX 5035Z — Роликовый игольчатый подшипник, импортное производство по ISO стандарту номер основного исполнения NAX5035.
Производитель: IKO.
Металлический экран с одной стороны.
Цена по запросу
Цена на подшипник зависит от:
| Обозначение | Модификация |
|---|---|
| NAX 5035 |
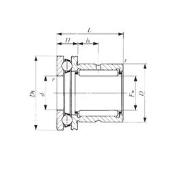
Габаритные размеры
Размеры и геометрические характеристики
Нагрузка и ресурс
Защита
Присоединительные размеры
Конструкция и исполнение
Другие размеры
Роликовый игольчатый подшипник RNAO50x62x20 (CX, INA, ISO, KOYO, NBS)
Роликовый игольчатый подшипник K50X58X35H (KOYO, TIMKEN)
Игольчатый роликоподшипник K50X62X30H.ZB2 (TIMKEN)
Подшипник игольчатый радиальный RNAF506220 (IKO, JNS, NSK)
Роликовый игольчатый подшипник RNAFW 506240 (IKO, JNS, NSK)