Главная > Подшипники> Комбинированные>NAX 5035

NAX 5035 — Подшипник комбинированный, импортное производство по ISO стандарту номер основного исполнения NAX5035.
Производитель: IKO.
Цена по запросу
Цена на подшипник зависит от:
| Обозначение | Модификация |
|---|---|
| NAX 5035Z | Металлический экран с одной стороны. |
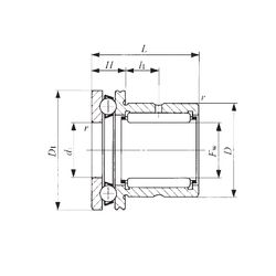
Габаритные размеры
Размеры и геометрические характеристики
Нагрузка и ресурс
Защита
Присоединительные размеры
Конструкция и исполнение
Другие размеры
Роликовый игольчатый подшипник RNAO50x62x20 (CX, INA, ISO, KOYO, NBS)
Роликовый игольчатый подшипник K50X58X35H (KOYO, TIMKEN)
Игольчатый роликоподшипник K50X62X30H.ZB2 (TIMKEN)
Подшипник игольчатый радиальный RNAF506220 (IKO, JNS, NSK)
Роликовый игольчатый подшипник RNAFW 506240 (IKO, JNS, NSK)