Главная > Подшипники> Роликовые > Радиально-упорные>M802048/M802011

M802048/M802011 — Однорядный конический роликовый подшипник, импортное производство по ISO стандарту, размер 41x82x26 номер основного исполнения .
Производится брендами: AST, FBJ, Fersa, KOYO, NIS, NSK, TIMKEN, ZVL.
M = массивный латунный сепаратор.
Цена от:1 257 р.
Цена на подшипник зависит от:
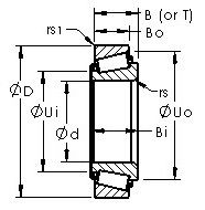
Габаритные размеры
Размеры и геометрические характеристики
Нагрузка и ресурс
Защита
Коэффициенты для расчета
Присоединительные размеры
Конструкция и исполнение
Прочие характеристики
Конический роликоподшипник 22778/22721 (TIMKEN)
Однорядный конический роликовый подшипник 4T-M802048/M802011 (NTN)
Конический роликоподшипник BT1-0382/Q (SKF)
Подшипник роликовый радиально-упорный KE ST4183 (KOYO)
Подшипник роликовый радиально-упорный KEST4183YR1LFT (KOYO)
Подшипник роликовый конический KM802048-M802011 (FAG)