Главная > Подшипники> Роликовые > Радиально-упорные>KEST4183YR1LFT

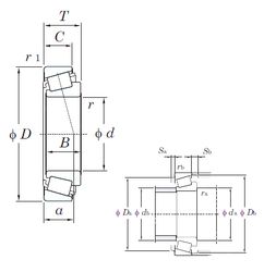
KEST4183YR1LFT — Подшипник роликовый радиально-упорный, импортное производство по ISO стандарту, размер 41x82x26 номер основного исполнения .
Производитель: KOYO.
Механически обработанный сепаратор из стали или чугуна, центрируемый по телам качения.
Цена по запросу
Цена на подшипник зависит от:
Габаритные размеры
Размеры и геометрические характеристики
Нагрузка и ресурс
Защита
Коэффициенты для расчета
Присоединительные размеры
Конструкция и исполнение
Конический роликоподшипник 22778/22721 (TIMKEN)
Однорядный конический роликовый подшипник 4T-M802048/M802011 (NTN)
Конический роликоподшипник BT1-0382/Q (SKF)
Подшипник роликовый радиально-упорный KE ST4183 (KOYO)
Подшипник роликовый конический KM802048-M802011 (FAG)
Однорядный конический роликовый подшипник M802048/M802011 (AST, FBJ, Fersa, KOYO, NIS)