Главная > Подшипники> Роликовые > Радиально-упорные>M252330/M252310

M252330/M252310 — Подшипник роликовый радиально-упорный, импортное производство по ISO стандарту, размер 234x381x74 номер основного исполнения .
Производится брендами: KOYO, TIMKEN.
M = массивный латунный сепаратор.
Цена по запросу
Цена на подшипник зависит от:
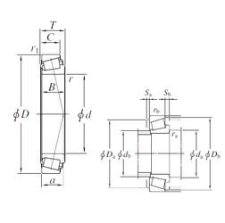
Габаритные размеры
Размеры и геометрические характеристики
Нагрузка и ресурс
Защита
Коэффициенты для расчета
Присоединительные размеры
Конструкция и исполнение
Подшипник роликовый радиально-упорный M252330/10 (CX, ISO)
Конический роликоподшипник T-M252330/M252310 (NTN)