Главная > Подшипники> Роликовые > Радиально-упорные>M249734/M249710

M249734/M249710 — Подшипник роликовый радиально-упорный, импортное производство по ISO стандарту, размер 231x358x71 номер основного исполнения .
Производитель: KOYO.
M = массивный латунный сепаратор.
Цена по запросу
Цена на подшипник зависит от:
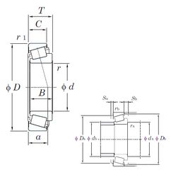
Габаритные размеры
Размеры и геометрические характеристики
Нагрузка и ресурс
Защита
Коэффициенты для расчета
Присоединительные размеры
Конструкция и исполнение
Подшипник роликовый радиально-упорный M249734/10 (CX, ISO)
Конический роликоподшипник T-M249734/M249710 (NTN)