Главная > Подшипники> Роликовые > Радиально-упорные>M201047/M201011

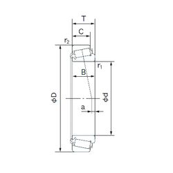
M201047/M201011 — Однорядный конический роликовый подшипник, импортное производство по ISO стандарту, размер 39x73x25 номер основного исполнения .
Производится брендами: NACHI, NIS, NSK, TIMKEN.
M = массивный латунный сепаратор.
Цена от:1 604 р.
Цена на подшипник зависит от:
Габаритные размеры
Размеры и геометрические характеристики
Нагрузка и ресурс
Защита
Коэффициенты для расчета
Присоединительные размеры
Конструкция и исполнение
Прочие характеристики
Конический роликоподшипник 4T-M201047/M201011 (NTN)
Подшипник роликовый радиально-упорный M201047/11 (ISB, PFI)