Главная > Подшипники> Роликовые > Радиально-упорные>M12648/M12610

M12648/M12610 — Однорядный конический роликовый подшипник, импортное производство по ISO стандарту, размер 22x50x17 номер основного исполнения .
Производится брендами: AST, FBJ, KOYO, NACHI, NIS, NSK, TIMKEN.
M = массивный латунный сепаратор.
Цена от:305 р.
Цена на подшипник зависит от:
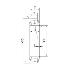
Габаритные размеры
Размеры и геометрические характеристики
Нагрузка и ресурс
Защита
Коэффициенты для расчета
Присоединительные размеры
Конструкция и исполнение
Прочие характеристики
Игольчатый роликоподшипник HKZ22X50.4X17 (NTN)
Конический роликоподшипник 4T-M12648/M12610 (NTN)
Конический роликоподшипник A-ET-CR-0492STPXI (NTN)
Конический роликоподшипник EC35399 (NTN)
Подшипник роликовый радиально-упорный M12648A/M12610 (KOYO, TIMKEN)
Подшипник роликовый радиально-упорный M12648/10 (CX, ISO)