Главная > Подшипники> Роликовые > Радиально-упорные>LM806649/610/Q

LM806649/610/Q — Однорядный конический роликовый подшипник, импортное производство по ISO стандарту, размер 53x88x19 номер основного исполнения .
Производитель: SKF.
Q = тихий ход работы подшипника.
Цена от:1 231 р.
Цена на подшипник зависит от:
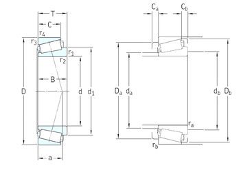
Габаритные размеры
Размеры и геометрические характеристики
Нагрузка и ресурс
Защита
Коэффициенты для расчета
Присоединительные размеры
Конструкция и исполнение
Однорядный конический роликовый подшипник 4T-LM806649/LM806610 (NTN)
Однорядный конический роликовый подшипник KLM806649-LM806610 (FAG)
Однорядный конический роликовый подшипник LM806649/LM806610 (FBJ, Fersa, KOYO, TIMKEN)
Подшипник роликовый радиально-упорный LM806649/610 (ISB)
Подшипник роликовый радиально-упорный LM805549/10 (CX, ISO)
Конический роликоподшипник NP855754/NP706096 (TIMKEN)