Главная > Подшипники> Роликовые > Радиально-упорные>LM72849/LM72810

LM72849/LM72810 — Однорядный конический роликовый подшипник, импортное производство по ISO стандарту, размер 22x47x15 номер основного исполнения .
Производится брендами: FBJ, KOYO, NIS, NSK, TIMKEN.
L = массивный сепаратор из лёгкого сплава.
Цена от:2 267 р.
Цена на подшипник зависит от:
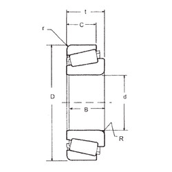
Габаритные размеры
Размеры и геометрические характеристики
Нагрузка и ресурс
Защита
Коэффициенты для расчета
Присоединительные размеры
Конструкция и исполнение
Прочие характеристики
Однорядный конический роликовый подшипник 4T-LM72849/LM72810 (NTN)
Подшипник роликовый радиально-упорный HI-CAP ST2247 /LM72810 (KOYO)
Подшипник роликовый радиально-упорный LM72849/10 (CX, ISO)