Главная > Подшипники> Роликовые > Радиально-упорные>HI-CAP ST2247 /LM72810

HI-CAP ST2247 /LM72810 — Подшипник роликовый радиально-упорный, импортное производство по ISO стандарту, размер 22x47x15 номер основного исполнения .
Производитель: KOYO.
P = Литой сепаратор из стеклонаполненного полиамида 6,6, центрируемый по телам качения.
Цена по запросу
Цена на подшипник зависит от:
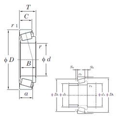
Габаритные размеры
Размеры и геометрические характеристики
Защита
Конструкция и исполнение
Однорядный конический роликовый подшипник 4T-LM72849/LM72810 (NTN)
Однорядный конический роликовый подшипник LM72849/LM72810 (FBJ, KOYO, NIS, NSK, TIMKEN)
Подшипник роликовый радиально-упорный LM72849/10 (CX, ISO)