Главная > Подшипники> Роликовые > Радиально-упорные>LM67048/LM67010

LM67048/LM67010 — Однорядный конический роликовый подшипник, импортное производство по ISO стандарту, размер 31x59x15 номер основного исполнения .
Производится брендами: FBJ, Fersa, KBC, KOYO, NACHI, NIS, NSK, TIMKEN.
L = массивный сепаратор из лёгкого сплава.
Цена от:244 р.
Цена на подшипник зависит от:
Габаритные размеры
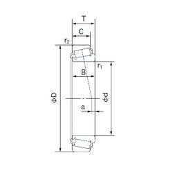
Размеры и геометрические характеристики
Нагрузка и ресурс
Защита
Коэффициенты для расчета
Присоединительные размеры
Конструкция и исполнение
Прочие характеристики
Подшипник шариковый упорный D13 (INA)
Подшипник шариковый упорный однонаправленный FT13 (INA)
Подшипник шариковый упорный однонаправленный GT13 (INA)
Однорядный конический роликовый подшипник 4T-LM67048/LM67010 (NTN)
Однорядный конический роликовый подшипник KLM67048-LM67010 (FAG)
Однорядный конический роликовый подшипник LM67049A/LM67010 (Fersa, TIMKEN)