Главная > Подшипники> Роликовые > Радиально-упорные>KLM67048-LM67010

KLM67048-LM67010 — Однорядный конический роликовый подшипник, импортное производство по ISO стандарту, размер 31x59x15 номер основного исполнения .
Производитель: FAG.
L = массивный сепаратор из лёгкого сплава.
Цена от:391 р.
Цена на подшипник зависит от:
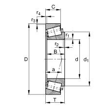
Габаритные размеры
Размеры и геометрические характеристики
Нагрузка и ресурс
Коэффициенты для расчета
Присоединительные размеры
Подшипник шариковый упорный D13 (INA)
Подшипник шариковый упорный однонаправленный FT13 (INA)
Подшипник шариковый упорный однонаправленный GT13 (INA)
Однорядный конический роликовый подшипник 4T-LM67048/LM67010 (NTN)
Однорядный конический роликовый подшипник LM67048/LM67010 (FBJ, Fersa, KBC, KOYO, NACHI)
Однорядный конический роликовый подшипник LM67049A/LM67010 (Fersa, TIMKEN)