Главная > Подшипники> Роликовые > Радиально-упорные>LM603049A/LM603014

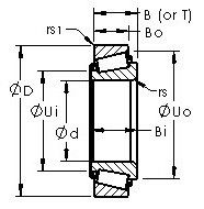
LM603049A/LM603014 — Конический роликоподшипник дюймовая серия, импортное производство по ISO стандарту, размер 45x80x19 номер основного исполнения .
Производитель: AST.
L = массивный сепаратор из лёгкого сплава.
Цена от:443 р.
Цена на подшипник зависит от:
Габаритные размеры
Размеры и геометрические характеристики
Присоединительные размеры
Конструкция и исполнение
Прочие характеристики
Конический роликоподшипник 4T-LM603049/LM603014 (NTN)
Подшипник роликовый радиально-упорный HC ST4580LFT (KOYO)
Подшипник роликовый радиально-упорный LM603049/14 (CX, ISO)
Подшипник роликовый радиально-упорный ST4580-9LFTSH6 (KOYO)