Главная > Подшипники> Роликовые > Радиально-упорные>HC ST4580LFT

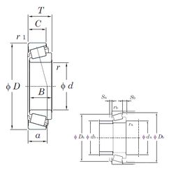
HC ST4580LFT — Подшипник роликовый радиально-упорный, импортное производство по ISO стандарту, размер 45x80x19 номер основного исполнения .
Производитель: KOYO.
Механически обработанный сепаратор из стали или чугуна, центрируемый по телам качения.
Цена по запросу
Цена на подшипник зависит от:
Габаритные размеры
Размеры и геометрические характеристики
Защита
Конструкция и исполнение
Конический роликоподшипник 4T-LM603049/LM603014 (NTN)
Подшипник роликовый радиально-упорный LM603049/14 (CX, ISO)
Конический роликоподшипник дюймовая серия LM603049A/LM603014 (AST)
Подшипник роликовый радиально-упорный ST4580-9LFTSH6 (KOYO)