Главная > Подшипники> Роликовые > Радиально-упорные>LM603049/LM603011

LM603049/LM603011 — Однорядный конический роликовый подшипник, импортное производство по ISO стандарту, размер 45x77x19 номер основного исполнения .
Производится брендами: AST, Fersa, KOYO, NACHI, NSK, TIMKEN, ZVL.
L = массивный сепаратор из лёгкого сплава.
Цена от:907 р.
Цена на подшипник зависит от:
Габаритные размеры
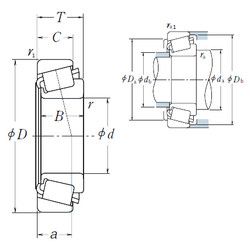
Размеры и геометрические характеристики
Нагрузка и ресурс
Защита
Коэффициенты для расчета
Присоединительные размеры
Конструкция и исполнение
Прочие характеристики
Подшипник роликовый радиально-упорный 2007809 (EPK)
Однорядный конический роликовый подшипник 4T-LM603049/LM603011 (NTN)
Однорядный конический роликовый подшипник KLM603049-LM603011 (FAG)
Конический роликоподшипник LM503348/310 (SNR)
Однорядный конический роликовый подшипник LM603049/011 (ISB, SNR)
Подшипник роликовый радиально-упорный LM560349/LM603011 (FBJ)