Главная > Подшипники> Роликовые > Радиально-упорные>LM560349/LM603011

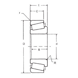
LM560349/LM603011 — Подшипник роликовый радиально-упорный, импортное производство по ISO стандарту, размер 45x77x19 номер основного исполнения .
Производитель: FBJ.
L = массивный сепаратор из лёгкого сплава.
Цена по запросу
Цена на подшипник зависит от:
Габаритные размеры
Размеры и геометрические характеристики
Нагрузка и ресурс
Защита
Конструкция и исполнение
Подшипник роликовый радиально-упорный 2007809 (EPK)
Однорядный конический роликовый подшипник 4T-LM603049/LM603011 (NTN)
Однорядный конический роликовый подшипник KLM603049-LM603011 (FAG)
Конический роликоподшипник LM503348/310 (SNR)
Однорядный конический роликовый подшипник LM603049/011 (ISB, SNR)
Однорядный конический роликовый подшипник LM603049/11 (CX, ISO, PFI)