Главная > Подшипники> Роликовые > Радиально-упорные>LM501349/LM501310

LM501349/LM501310 — Однорядный конический роликовый подшипник, импортное производство по ISO стандарту, размер 41x73x19 номер основного исполнения .
Производится брендами: AST, FBJ, Fersa, KBC, KOYO, NACHI, NIS, NSK, TIMKEN.
L = массивный сепаратор из лёгкого сплава.
Цена от:607 р.
Цена на подшипник зависит от:
Габаритные размеры
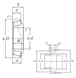
Размеры и геометрические характеристики
Нагрузка и ресурс
Защита
Коэффициенты для расчета
Присоединительные размеры
Конструкция и исполнение
Прочие характеристики
Конический роликоподшипник 4T-LM501349A/LM501310 (NTN)
Однорядный конический роликовый подшипник 4T-LM501349/LM501310 (NTN)
Конический роликоподшипник BT1-0384/Q (SKF)
Конический роликоподшипник H-LM501349/H-LM501310 (NACHI)
Однорядный конический роликовый подшипник KLM501349-LM501310 (FAG)
Однорядный конический роликовый подшипник LM501349/10 (CX, ISO, PFI)