Главная > Подшипники> Роликовые > Радиально-упорные>H-LM501349/H-LM501310

H-LM501349/H-LM501310 — Конический роликоподшипник, импортное производство по ISO стандарту, размер 41x73x19 номер основного исполнения .
Производитель: NACHI.
H = высокая, узкая каретка для двухрядного шарикоподшипника и направляющей в сборе.
Цена по запросу
Цена на подшипник зависит от:
Габаритные размеры
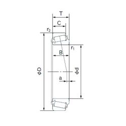
Размеры и геометрические характеристики
Нагрузка и ресурс
Защита
Коэффициенты для расчета
Присоединительные размеры
Конструкция и исполнение
Конический роликоподшипник 4T-LM501349A/LM501310 (NTN)
Однорядный конический роликовый подшипник 4T-LM501349/LM501310 (NTN)
Конический роликоподшипник BT1-0384/Q (SKF)
Однорядный конический роликовый подшипник KLM501349-LM501310 (FAG)
Однорядный конический роликовый подшипник LM501349/10 (CX, ISO, PFI)
Однорядный конический роликовый подшипник LM501349/LM501310 (AST, FBJ, Fersa, KBC, KOYO)