Главная > Подшипники> Роликовые > Радиально-упорные>LM241148/LM241111

LM241148/LM241111 — Подшипник роликовый радиально-упорный, импортное производство по ISO стандарту, размер 203x276x42 номер основного исполнения .
Производитель: KOYO.
L = массивный сепаратор из лёгкого сплава.
Цена от:23 860 р.
Цена на подшипник зависит от:
Габаритные размеры
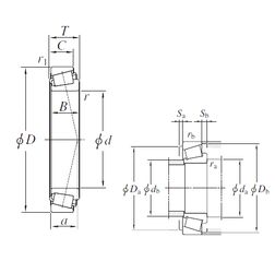
Размеры и геометрические характеристики
Нагрузка и ресурс
Защита
Коэффициенты для расчета
Присоединительные размеры
Конструкция и исполнение
Однорядный конический роликовый подшипник LM241149/LM241110 (KOYO, NSK, NTN, TIMKEN)
Подшипник роликовый радиально-упорный LM241149/10 (CX, ISO)