Главная > Подшипники> Шариковые> Радиальные>LF1050 2RS

LF1050 2RS — Подшипник однорядный шариковый радиальный, импортное производство по ISO стандарту номер основного исполнения LF1050.
Производитель: NIS.
Резиновые уплотнения с каждой стороны подшипника.
Цена по запросу
Цена на подшипник зависит от:
| Обозначение | Модификация |
|---|---|
| LF-1050ZZ | ZZ = Два металлических экрана. |
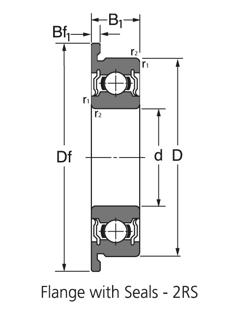
Габаритные размеры
Прочие характеристики
Подшипник однорядный шариковый радиальный MF105 (FBJ, ISB, ISO, NSK, ZEN)
Подшипник однорядный шариковый радиальный MF105ZZ (FBJ, ISB, ISO, NSK)
Радиальный шарикоподшипник MF105-2RS (ZEN)
Подшипник однорядный шариковый радиальный MF105-2Z (ZEN)
Радиальный шарикоподшипник ML5010 (KOYO)
Радиальный шарикоподшипник MLF5010 (KOYO)