Главная > Подшипники> Шариковые> Радиальные>MLF5010

MLF5010 — Радиальный шарикоподшипник, импортное производство по ISO стандарту основное исполнение.
Производитель: KOYO.
Цена по запросу
Цена на подшипник зависит от:
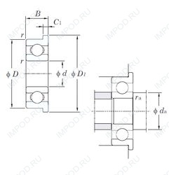
Габаритные размеры
Размеры и геометрические характеристики
Нагрузка и ресурс
Подшипник однорядный шариковый радиальный MF105 (FBJ, ISB, ISO, NSK, ZEN)
Подшипник однорядный шариковый радиальный MF105ZZ (FBJ, ISB, ISO, NSK)
Радиальный шарикоподшипник MF105-2RS (ZEN)
Подшипник однорядный шариковый радиальный MF105-2Z (ZEN)
Радиальный шарикоподшипник ML5010 (KOYO)
Подшипник однорядный шариковый радиальный MR 105 ZZ (FBJ, ISB, ISO, NSK)