Главная > Подшипники> Роликовые > Радиально-упорные>L68149/L68110

L68149/L68110 — Однорядный конический роликовый подшипник, импортное производство по ISO стандарту, размер 35x59x15 номер основного исполнения .
Производится брендами: AST, Fersa, KBC, KOYO, NACHI, NIS, NSK, TIMKEN.
L = массивный сепаратор из лёгкого сплава.
Цена от:349 р.
Цена на подшипник зависит от:
Габаритные размеры
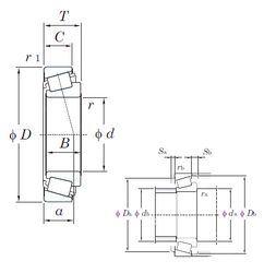
Размеры и геометрические характеристики
Нагрузка и ресурс
Защита
Коэффициенты для расчета
Присоединительные размеры
Конструкция и исполнение
Прочие характеристики
Однорядный конический роликовый подшипник 35KW03G5 (NSK)
Подшипник роликовый радиально-упорный HI-CAP 57331 (KOYO)
Подшипник роликовый радиально-упорный HI-CAP 57331E3 (KOYO)
Однорядный конический роликовый подшипник L68149/11 (CX, ISO, PFI)
Однорядный конический роликовый подшипник L68149/10 (PFI)
Цилиндрический роликовый упорный подшипник T1380 (TIMKEN)