Главная > Подшипники> Роликовые > Радиально-упорные>HI-CAP 57331

HI-CAP 57331 — Подшипник роликовый радиально-упорный, импортное производство по ISO стандарту, размер 35x59x15 номер основного исполнения .
Производитель: KOYO.
P5 = Подшипники 5-го класса точности DIN
Цена по запросу
Цена на подшипник зависит от:
Габаритные размеры
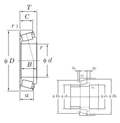
Размеры и геометрические характеристики
Защита
Конструкция и исполнение
Однорядный конический роликовый подшипник 35KW03G5 (NSK)
Подшипник роликовый радиально-упорный HI-CAP 57331E3 (KOYO)
Однорядный конический роликовый подшипник L68149/L68110 (AST, Fersa, KBC, KOYO, NACHI)
Однорядный конический роликовый подшипник L68149/11 (CX, ISO, PFI)
Однорядный конический роликовый подшипник L68149/10 (PFI)
Цилиндрический роликовый упорный подшипник T1380 (TIMKEN)