Главная > Подшипники> Шариковые> Радиально-упорные>KUX075 2RD

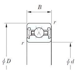
KUX075 2RD — Радиально-упорный шарикоподшипник, импортное производство по ISO стандарту, размер 190x209x12 номер основного исполнения .
Производитель: KOYO.
D = профиль наружного кольца, усовершенствованный, с увеличенной зоной несущей нагрузки и оптимизированными краевыми переходами.
Цена по запросу
Цена на подшипник зависит от:
Габаритные размеры
Размеры и геометрические характеристики
Нагрузка и ресурс
Защита
Конструкция и исполнение
Подшипник шариковый радиальный с тонким кольцом CSCU 075.2RS (INA)
Подшипник шариковый радиальный с тонким кольцом CSXU 075.2RS (INA)
Радиальный шарикоподшипник KUC075 2RD (KOYO)
Радиальный шарикоподшипник KRJ075LL (NTN)