Главная > Подшипники> Шариковые> Радиальные>CSCU 075.2RS

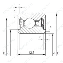
CSCU 075.2RS — Подшипник шариковый радиальный с тонким кольцом, импортное производство по ISO стандарту, размер 190x209x12 номер основного исполнения .
Производитель: INA.
Резиновые уплотнения с каждой стороны подшипника.
Цена по запросу
Цена на подшипник зависит от:
Габаритные размеры
Размеры и геометрические характеристики
Нагрузка и ресурс
Защита
Конструкция и исполнение
Подшипник шариковый радиальный с тонким кольцом CSXU 075.2RS (INA)
Радиальный шарикоподшипник KUC075 2RD (KOYO)
Радиальный шарикоподшипник KRJ075LL (NTN)
Радиально-упорный шарикоподшипник KUX075 2RD (KOYO)