Главная > Подшипники> Шариковые> Радиально-упорные>KUX045 2RD

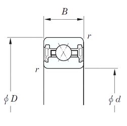
KUX045 2RD — Радиально-упорный шарикоподшипник, импортное производство по ISO стандарту, размер 114x133x12 номер основного исполнения .
Производитель: KOYO.
D = профиль наружного кольца, усовершенствованный, с увеличенной зоной несущей нагрузки и оптимизированными краевыми переходами.
Цена по запросу
Цена на подшипник зависит от:
Габаритные размеры
Размеры и геометрические характеристики
Нагрузка и ресурс
Защита
Конструкция и исполнение
Подшипник однорядный шариковый радиальный CSCU045-2RS (INA)
Подшипник шариковый с четырехточечным контактом CSXU 045.2RS (INA)
Радиальный шарикоподшипник KUC045 2RD (KOYO)