Главная > Подшипники> Шариковые> Радиальные>CSCU045-2RS

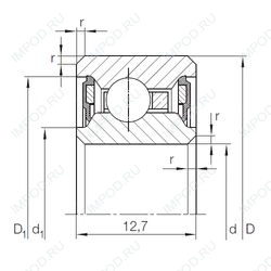
CSCU045-2RS — Подшипник однорядный шариковый радиальный, импортное производство по ISO стандарту, размер 114x133x12 номер основного исполнения .
Производитель: INA.
Резиновые уплотнения с каждой стороны подшипника.
Цена по запросу
Цена на подшипник зависит от:
Габаритные размеры
Размеры и геометрические характеристики
Нагрузка и ресурс
Защита
Конструкция и исполнение
Подшипник шариковый с четырехточечным контактом CSXU 045.2RS (INA)
Радиальный шарикоподшипник KUC045 2RD (KOYO)
Радиально-упорный шарикоподшипник KUX045 2RD (KOYO)