Главная > Подшипники> Роликовые > Радиально-упорные>KL68149-L68111

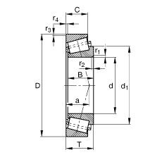
KL68149-L68111 — Однорядный конический роликовый подшипник, импортное производство по ISO стандарту, размер 34x59x15 номер основного исполнения .
Производитель: FAG.
L = массивный сепаратор из лёгкого сплава.
Цена от:528 р.
Цена на подшипник зависит от:
Габаритные размеры
Размеры и геометрические характеристики
Нагрузка и ресурс
Коэффициенты для расчета
Присоединительные размеры
Однорядный конический роликовый подшипник 4T-L68149/L68111 (NTN)
Конический роликоподшипник H-L68149/H-L68111 (NACHI)
Конический роликоподшипник H-L68149/H-L68110 (NACHI)
Однорядный конический роликовый подшипник KL68149-L68110 (FAG)
Однорядный конический роликовый подшипник L68149/L68111 (AST, FBJ, Fersa, KBC, KOYO)
Подшипник роликовый радиально-упорный L68149R/L68110 (Fersa)