Главная > Подшипники> Роликовые > Радиально-упорные>H-L68149/H-L68110

H-L68149/H-L68110 — Конический роликоподшипник, импортное производство по ISO стандарту, размер 34x59x15 номер основного исполнения .
Производитель: NACHI.
H = высокая, узкая каретка для двухрядного шарикоподшипника и направляющей в сборе.
Цена по запросу
Цена на подшипник зависит от:
Габаритные размеры
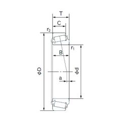
Размеры и геометрические характеристики
Нагрузка и ресурс
Защита
Коэффициенты для расчета
Присоединительные размеры
Конструкция и исполнение
Однорядный конический роликовый подшипник 4T-L68149/L68111 (NTN)
Конический роликоподшипник H-L68149/H-L68111 (NACHI)
Однорядный конический роликовый подшипник KL68149-L68111 (FAG)
Однорядный конический роликовый подшипник KL68149-L68110 (FAG)
Однорядный конический роликовый подшипник L68149/L68111 (AST, FBJ, Fersa, KBC, KOYO)
Подшипник роликовый радиально-упорный L68149R/L68110 (Fersa)