Главная > Подшипники> Роликовые > Радиально-упорные>KHM911245-HM911210

KHM911245-HM911210 — Подшипник роликовый конический, импортное производство по ISO стандарту, размер 60x130x36 номер основного исполнения .
Производитель: FAG.
H = высокая, узкая каретка для двухрядного шарикоподшипника и направляющей в сборе.
Цена по запросу
Цена на подшипник зависит от:
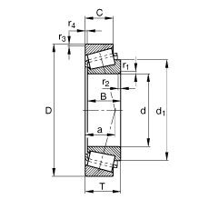
Габаритные размеры
Размеры и геометрические характеристики
Нагрузка и ресурс
Коэффициенты для расчета
Присоединительные размеры
Конический роликоподшипник 4T-HM911245/HM911210 (NTN)
Однорядный конический роликовый подшипник HM911245/HM911210 (FBJ, Fersa, NACHI, TIMKEN)
Подшипник роликовый радиально-упорный HM911245/10 (CX, ISO)