Главная > Подшипники> Роликовые > Радиально-упорные>HM911245/HM911210

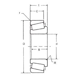
HM911245/HM911210 — Однорядный конический роликовый подшипник, импортное производство по ISO стандарту, размер 60x130x36 номер основного исполнения .
Производится брендами: FBJ, Fersa, NACHI, TIMKEN.
H = высокая, узкая каретка для двухрядного шарикоподшипника и направляющей в сборе.
Цена от:3 254 р.
Цена на подшипник зависит от:
Габаритные размеры
Размеры и геометрические характеристики
Нагрузка и ресурс
Защита
Коэффициенты для расчета
Присоединительные размеры
Конструкция и исполнение
Конический роликоподшипник 4T-HM911245/HM911210 (NTN)
Подшипник роликовый радиально-упорный HM911245/10 (CX, ISO)
Подшипник роликовый конический KHM911245-HM911210 (FAG)