Главная > Подшипники> Роликовые > Радиально-упорные>KESTA4895-1LFTUR4

KESTA4895-1LFTUR4 — Подшипник роликовый радиально-упорный, импортное производство по ISO стандарту, размер 47x95x30 номер основного исполнения .
Производитель: KOYO.
ТA = Сепаратор из фенольной смолы или полиамида направленный на наружное кольцо
Цена по запросу
Цена на подшипник зависит от:
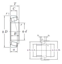
Габаритные размеры
Размеры и геометрические характеристики
Нагрузка и ресурс
Защита
Коэффициенты для расчета
Присоединительные размеры
Конструкция и исполнение
Однорядный конический роликовый подшипник 3779/3726 (TIMKEN)
Однорядный конический роликовый подшипник 4T-HM804846/HM804810 (NTN)
Однорядный конический роликовый подшипник HM804846/10 (CX, ISO)
Однорядный конический роликовый подшипник HM804846/HM804810 (FBJ, Fersa, KOYO, NIS, NSK)