Главная > Подшипники> Роликовые > Радиально-упорные>HM804846/HM804810

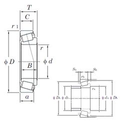
HM804846/HM804810 — Однорядный конический роликовый подшипник, импортное производство по ISO стандарту, размер 47x95x30 номер основного исполнения .
Производится брендами: FBJ, Fersa, KOYO, NIS, NSK, TIMKEN.
H = высокая, узкая каретка для двухрядного шарикоподшипника и направляющей в сборе.
Цена от:1 735 р.
Цена на подшипник зависит от:
Габаритные размеры
Размеры и геометрические характеристики
Нагрузка и ресурс
Защита
Коэффициенты для расчета
Присоединительные размеры
Конструкция и исполнение
Прочие характеристики
Однорядный конический роликовый подшипник 3779/3726 (TIMKEN)
Однорядный конический роликовый подшипник 4T-HM804846/HM804810 (NTN)
Однорядный конический роликовый подшипник HM804846/10 (CX, ISO)
Подшипник роликовый радиально-упорный KESTA4895-1LFTUR4 (KOYO)