Главная > Подшипники> Роликовые > Радиально-упорные>K72200-72487

K72200-72487 — Однорядный конический роликовый подшипник, импортное производство по ISO стандарту, размер 50x123x36 номер основного исполнения .
Производитель: FAG.
Игольчатый роликоподшипник без колец.
Цена по запросу
Цена на подшипник зависит от:
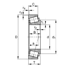
Габаритные размеры
Размеры и геометрические характеристики
Нагрузка и ресурс
Коэффициенты для расчета
Присоединительные размеры
Конический роликоподшипник 4T-72200C/72487 (NTN)
Однорядный конический роликовый подшипник 72200C/72487 (CX, FBJ, Fersa, ISO, KOYO)
Подшипник роликовый радиально-упорный 72201C/72487 (CX, FBJ, ISO, TIMKEN)
Однорядный конический роликовый подшипник 72200/72487 (KOYO, NACHI, NIS, NSK)
Конический роликоподшипник дюймовая серия RI01204/72487 (AST)