Главная > Подшипники> Роликовые > Радиально-упорные>72200/72487

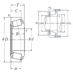
72200/72487 — Однорядный конический роликовый подшипник, импортное производство по ISO стандарту, размер 50x123x36 номер основного исполнения .
Производится брендами: KOYO, NACHI, NIS, NSK.
Цена от:2 819 р.
Цена на подшипник зависит от:
Габаритные размеры
Размеры и геометрические характеристики
Нагрузка и ресурс
Защита
Коэффициенты для расчета
Присоединительные размеры
Конструкция и исполнение
Прочие характеристики
Конический роликоподшипник 4T-72200C/72487 (NTN)
Однорядный конический роликовый подшипник 72200C/72487 (CX, FBJ, Fersa, ISO, KOYO)
Подшипник роликовый радиально-упорный 72201C/72487 (CX, FBJ, ISO, TIMKEN)
Однорядный конический роликовый подшипник K72200-72487 (FAG)
Конический роликоподшипник дюймовая серия RI01204/72487 (AST)