Главная > Подшипники> Роликовые > Радиально-упорные>K45284-45220

K45284-45220 — Подшипник роликовый конический, импортное производство по ISO стандарту, размер 50x104x30 номер основного исполнения .
Производитель: FAG.
Игольчатый роликоподшипник без колец.
Цена по запросу
Цена на подшипник зависит от:
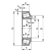
Габаритные размеры
Размеры и геометрические характеристики
Нагрузка и ресурс
Коэффициенты для расчета
Присоединительные размеры
Однорядный конический роликовый подшипник 45284/45220 (CX, FBJ, Fersa, ISO, KOYO)
Однорядный конический роликовый подшипник 45285/45220 (FBJ, TIMKEN)
Подшипник роликовый радиально-упорный 45285A/45220 (CX, FBJ, Fersa, ISO, TIMKEN)
Подшипник роликовый радиально-упорный 45284/45221 (KOYO, TIMKEN)
Однорядный конический роликовый подшипник 45285A/45220-B (TIMKEN)
Однорядный конический роликовый подшипник 45285A/45221 (Fersa, TIMKEN)