Главная > Подшипники> Роликовые > Радиально-упорные>45284/45221

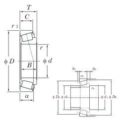
45284/45221 — Подшипник роликовый радиально-упорный, импортное производство по ISO стандарту, размер 50x104x30 номер основного исполнения .
Производится брендами: KOYO, TIMKEN.
Цена от:2 367 р.
Цена на подшипник зависит от:
Габаритные размеры
Размеры и геометрические характеристики
Нагрузка и ресурс
Защита
Коэффициенты для расчета
Присоединительные размеры
Конструкция и исполнение
Однорядный конический роликовый подшипник 45284/45220 (CX, FBJ, Fersa, ISO, KOYO)
Однорядный конический роликовый подшипник 45285/45220 (FBJ, TIMKEN)
Подшипник роликовый радиально-упорный 45285A/45220 (CX, FBJ, Fersa, ISO, TIMKEN)
Однорядный конический роликовый подшипник 45285A/45220-B (TIMKEN)
Однорядный конический роликовый подшипник 45285A/45221 (Fersa, TIMKEN)
Однорядный конический роликовый подшипник 45285/45221 (KOYO, TIMKEN)