Главная > Подшипники> Роликовые > Радиально-упорные>K387-A-382-A

K387-A-382-A — Подшипник роликовый конический, импортное производство по ISO стандарту, размер 57x96x21 номер основного исполнения .
Производитель: FAG.
Игольчатый роликоподшипник без колец.
A = внутренняя модификация конструкции.
Цена по запросу
Цена на подшипник зависит от:
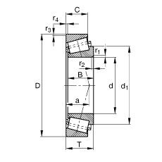
Габаритные размеры
Размеры и геометрические характеристики
Нагрузка и ресурс
Коэффициенты для расчета
Присоединительные размеры
Однорядный конический роликовый подшипник 387A/382A (AST, CX, FBJ, Fersa, ISB)
Конический роликоподшипник 387A/382B (TIMKEN)
Подшипник роликовый радиально-упорный 388A/382A (CX, FBJ, ISO, KOYO, NIS)
Однорядный конический роликовый подшипник 387AS/382A (CX, FBJ, Fersa, ISO, KOYO)
Конический роликоподшипник 387A/2A (PFI)
Однорядный конический роликовый подшипник 387S/382A (CX, FBJ, ISO, KOYO, TIMKEN)