Главная > Подшипники> Роликовые > Радиально-упорные>387S/382A

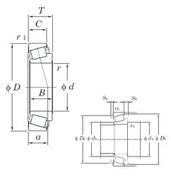
387S/382A — Однорядный конический роликовый подшипник, импортное производство по ISO стандарту, размер 57x96x21 номер основного исполнения .
Производится брендами: CX, FBJ, ISO, KOYO, TIMKEN.
S3 = Кольца подшипника стабилизированы для рабочих температур до + 300 С
Цена от:647 р.
Цена на подшипник зависит от:
Габаритные размеры
Размеры и геометрические характеристики
Нагрузка и ресурс
Защита
Коэффициенты для расчета
Присоединительные размеры
Конструкция и исполнение
Однорядный конический роликовый подшипник 387A/382A (AST, CX, FBJ, Fersa, ISB)
Конический роликоподшипник 387A/382B (TIMKEN)
Подшипник роликовый радиально-упорный 388A/382A (CX, FBJ, ISO, KOYO, NIS)
Однорядный конический роликовый подшипник 387AS/382A (CX, FBJ, Fersa, ISO, KOYO)
Конический роликоподшипник 387A/2A (PFI)
Конический роликоподшипник 387AS/2A (PFI)