Главная > Подшипники> Роликовые > Радиально-упорные>K3585-3525

K3585-3525 — Подшипник роликовый конический, импортное производство по ISO стандарту, размер 41x87x30 номер основного исполнения .
Производитель: FAG.
Игольчатый роликоподшипник без колец.
Цена по запросу
Цена на подшипник зависит от:
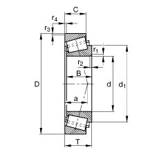
Габаритные размеры
Размеры и геометрические характеристики
Нагрузка и ресурс
Коэффициенты для расчета
Присоединительные размеры
Однорядный конический роликовый подшипник 3577/3525 (CX, FBJ, Fersa, ISO, TIMKEN)
Однорядный конический роликовый подшипник 3576/3525 (CX, FBJ, ISO, NIS, NSK)
Подшипник роликовый радиально-упорный 3576R/3525 (KOYO)
Конический роликоподшипник 3576/3525-B (TIMKEN)
Конический роликоподшипник 3577/3525-B (TIMKEN)
Однорядный конический роликовый подшипник 3585/3525 (CX, FBJ, Fersa, ISB, ISO)